取样冷却器适用于温度较高的液体和气体等介质取样,具有结构紧凑、传热效率高、清洗方便、使用寿命长等优点,广泛用于石油、化工、轻工、电力等部门的、加热、换热,冷却器也可做为油泵的自封冷却器。

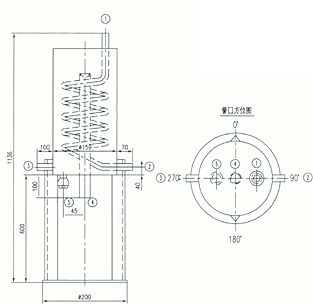
1、单一相取样冷却器SCXQ—IA
单-相取样冷却器主要性能表
|
管道
|
设计压力
|
3.92MPa
|
壳程
|
设计压力
|
常压
|
|
设计温度
|
350℃
|
设计温度
|
60℃
|
|
操作介质
|
/
|
操作介质
|
水
|
|
换热面积:0.084m2
|
单-相取样冷却器管口说明表
|
规格型号
(施工图图号)
|
操作介质
|
盘管材质
|
设备开口DN
|
|
1
|
2
|
3
|
4
|
5
|
|
SCXQ-1A-1(S5-10-1)
|
油 品
|
20
|
15
|
15
|
20
|
25
|
G1/2
|
|
SCXQ-1A-2(S5-10-2)
|
含硫油品
|
1Cr18Ni9Ti
|
15
|
15
|
20
|
25
|
G1/2
|
|
SCXQ-1A-3(S5-10-3)
|
油 气
|
20
|
15
|
8(外)
|
20
|
25
|
G1/2
|
|
SCXQ-1A-4(S5-10-4)
|
含硫油气、氢气
|
1Cr18Ni9Ti
|
15
|
8(外)
|
20
|
25
|
G1/2
|
|
 |
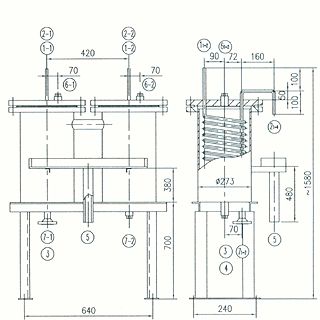
2、双联取样冷却器SCXQ-IB
双联取样冷却器主要性能表
|
管道
|
设计压力
|
0.58MPa
|
壳程
|
设计压力
|
0.58MPa
|
|
设计温度
|
172℃
|
设计温度
|
60℃
|
|
操作介质
|
汽、水
|
操作介质
|
水
|
|
换热面积:1.04m2
|
双联相取冷却器管口说明表
|
编号
|
名称
|
数量
|
公称直径DN
|
公称压力PN
|
备注
|
|
1
|
水蒸汽入口
|
2
|
10
|
/
|
|
|
2
|
水蒸汽出口
|
2
|
10
|
/
|
|
|
3
|
冷却水入口
|
1
|
40
|
2.0
|
|
|
4
|
冷却水出口
|
1
|
40
|
2.0
|
|
|
5
|
排水口
|
1
|
50
|
/
|
|
|
6
|
上排空口
|
2
|
G1/2
|
/
|
带管塞
|
|
7
|
下排空口
|
2
|
G1/2
|
/
|
带管塞
|
|
 |
3、四联取样冷却器SCXQ-IC
四联取样冷却器主要性能表
|
管道
|
设计压力
|
4.62MPa
|
壳程
|
设计压力
|
0.58MPa
|
|
设计温度
|
275℃
|
设计温度
|
60℃
|
|
操作介质
|
汽、水
|
操作介质
|
水
|
|
换热面积:2.08m2
|
|
编号
|
名称
|
数量
|
公称直径DN
|
公称压力PN
|
备注
|
|
1
|
水蒸汽入口
|
4
|
10
|
/
|
|
|
2
|
水蒸汽入口
|
4
|
10
|
/
|
|
|
3
|
冷却水入口
|
1
|
40
|
2.0
|
|
|
4
|
冷却水出口
|
1
|
40
|
2.0
|
|
|
5
|
排水口
|
1
|
50
|
/
|
|
|
6
|
上排空口
|
2
|
G1/2
|
/
|
带管塞
|
|
7
|
下排空口
|
2
|
G1/2
|
/
|
带管塞
|
|
 |
|